河南省恒信锅炉制造有限公司恒久致远 诚信至上












适用燃料
生物质
可选额定发热量 KW/H
热效率
≥85%
应用范围
酒店,小区,宾馆,学校,医院,机关单位,车间厂房,供暖生活用水,高温杀菌,道路修建等
123
达到国家标准
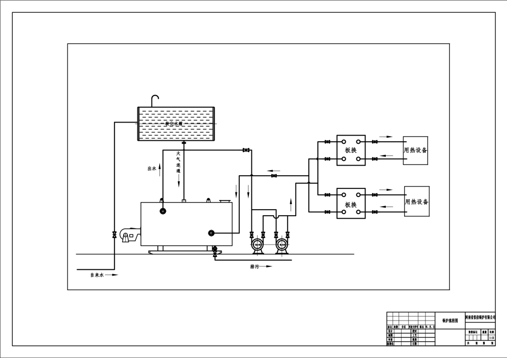
智能触摸屏锅炉控制器
保证产品质量
免办证 免年检
自动给水 自动调节负荷
通电通水 供应燃料 即可运行
Copyright @ 2011-2022 河南省恒信锅炉制造有限公司 豫ICP备18018729号-40 XML地图
技术支持:网站模板
扫一扫咨询微信客服