河南省恒信锅炉制造有限公司恒久致远 诚信至上












适用燃料
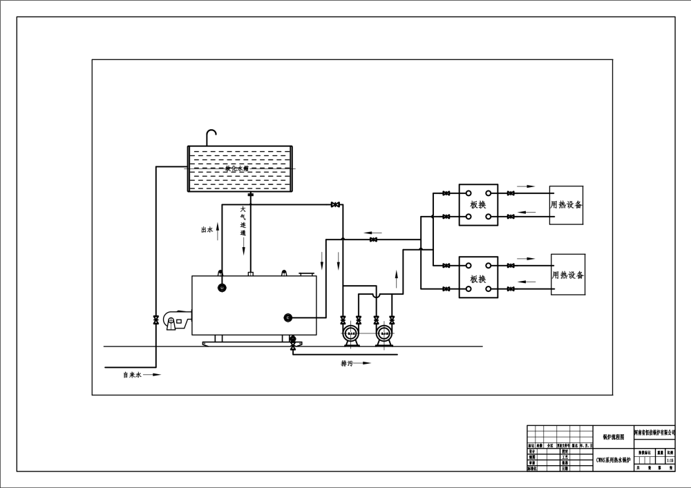
生物质
可选额定发热量 KW/H
热效率
≥85%
应用范围
酒店,小区,宾馆,企业事业单位,学校,餐饮,医院,供暖生活用水,高温杀菌,食品生产,道路修建,新材料制造等
123
Copyright @ 2011-2022 河南省恒信锅炉制造有限公司 豫ICP备18018729号-40 XML地图
技术支持:网站模板
扫一扫咨询微信客服